ADC

ADC(Analog-to-Digital Converter)模数转换器

ADC简介

  • ADC(Analog-Digital Converter)模拟-数字转换器
  • ADC可以将引脚上连续变化的模拟电压转换为内存中存储的数字变量,建立模拟电路到数字电路的桥梁
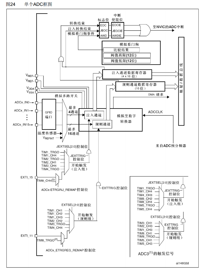
  • 12位逐次逼近型ADC,1us转换时间
  • 输入电压范围:0-3.3V,转换结果范围:0-4095
  • 18个输入通道,可测量16个外部和2个内部信号源
  • 规则组和注入组两个转换单元
  • 模拟看门狗自动监测输入电压范围

逐次逼近型ADC

逐次逼近型ADC

什么是逐次逼近型ADC?
逐次逼近型ADC(SAR ADC, Successive Approximation Register ADC)是一种常见的模数转换器结构。其核心思想是通过逐步逼近的方式,将模拟输入电压与内部参考电压进行比较,每次确定一位数字输出,最终得到完整的数字量。

工作原理简述:

  1. 采样保持电路锁定输入电压。
  2. SAR寄存器从最高位开始,依次尝试每一位(先假设为1),通过比较器判断DAC输出与输入电压的大小。
  3. 若DAC输出小于输入电压,则该位保留为1,否则清零。
  4. 依次完成所有位的判断,最终得到数字输出。

ADC框图

ADC框图

ADC基本结构

ADC基本结构

输入通道

通道ADC1ADC2ADC3
通道0PA0PA0PA0
通道1PA1PA1PA1
通道2PA2PA2PA2
通道3PA3PA3PA3
通道4PA4PA4PF6
通道5PA5PA5PF7
通道6PA6PA6PF8
通道7PA7PA7PF9
通道8PB0PB0PF10
通道9PB1PB1
通道10PC0PC0PC0
通道11PC1PC1PC1
通道12PC2PC2PC2
通道13PC3PC3PC3
通道14PC4PC4
通道15PC5PC5
通道16温度传感器
通道17内部参考电压

转换模式

单次转换,非扫描模式

单次转换,非扫描模式

连续转换,非扫描模式

连续转换,非扫描模式

单次转换,扫描模式

单次转换,扫描模式

连续转换,扫描模式

连续转换,扫描模式

触发控制

触发控制

数据对齐

转换时间

转换时间

  • AD转换的步骤:采样,保持,量化,编码

  • STM32 ADC的总转换时间为:TCONV=t采样时间+12.5ADC周期T_{\text{CONV}} = t_{\text{采样时间}} + 12.5\,\text{ADC周期}

  • 例如:当ADCCLK=14MHz,采样时间为1.5个ADC周期

    • TCONV=t采样+12.5ADC周期=1.5+12.5=14ADC周期=1μsT_{\text{CONV}} = t_{\text{采样}} + 12.5\,\text{ADC周期} = 1.5 + 12.5 = 14\,\text{ADC周期} = 1\,\mu\text{s}

校准

  • ADC有一个内置自校准模式。校准可大幅减小因内部电容器组的变化而造成的准精度误差。校准期间,在每个电容器上都会计算出一个误差修正码(数字值),这个码用于消除在随后的转换中每个电容器上产生的误差

  • 建议在每次上电后执行一次校准

  • 启动校准前, ADC必须处于关电状态超过至少两个ADC时钟周

例子

AD单通道

AD.h
#ifndef __AD_H
#define __AD_H

void AD_Init(void);
uint16_t AD_GetValue(void);

#endif
AD.c
#include "stm32f10x.h"                  // Device header

/**
  * 函    数:AD初始化
  * 参    数:无
  * 返 回 值:无
  */
void AD_Init(void)
{
	/*开启时钟*/
	RCC_APB2PeriphClockCmd(RCC_APB2Periph_ADC1, ENABLE);	//开启ADC1的时钟
	RCC_APB2PeriphClockCmd(RCC_APB2Periph_GPIOA, ENABLE);	//开启GPIOA的时钟
	
	/*设置ADC时钟*/
	RCC_ADCCLKConfig(RCC_PCLK2_Div6);						//选择时钟6分频,ADCCLK = 72MHz / 6 = 12MHz
	
	/*GPIO初始化*/
	GPIO_InitTypeDef GPIO_InitStructure;
	GPIO_InitStructure.GPIO_Mode = GPIO_Mode_AIN;
	GPIO_InitStructure.GPIO_Pin = GPIO_Pin_0;
	GPIO_InitStructure.GPIO_Speed = GPIO_Speed_50MHz;
	GPIO_Init(GPIOA, &GPIO_InitStructure);					//将PA0引脚初始化为模拟输入
	
	/*规则组通道配置*/
	ADC_RegularChannelConfig(ADC1, ADC_Channel_0, 1, ADC_SampleTime_55Cycles5);		//规则组序列1的位置,配置为通道0
	
	/*ADC初始化*/
	ADC_InitTypeDef ADC_InitStructure;						//定义结构体变量
	ADC_InitStructure.ADC_Mode = ADC_Mode_Independent;		//模式,选择独立模式,即单独使用ADC1
	ADC_InitStructure.ADC_DataAlign = ADC_DataAlign_Right;	//数据对齐,选择右对齐
	ADC_InitStructure.ADC_ExternalTrigConv = ADC_ExternalTrigConv_None;	//外部触发,使用软件触发,不需要外部触发
	ADC_InitStructure.ADC_ContinuousConvMode = DISABLE;		//连续转换,失能,每转换一次规则组序列后停止
	ADC_InitStructure.ADC_ScanConvMode = DISABLE;			//扫描模式,失能,只转换规则组的序列1这一个位置
	ADC_InitStructure.ADC_NbrOfChannel = 1;					//通道数,为1,仅在扫描模式下,才需要指定大于1的数,在非扫描模式下,只能是1
	ADC_Init(ADC1, &ADC_InitStructure);						//将结构体变量交给ADC_Init,配置ADC1
	
	/*ADC使能*/
	ADC_Cmd(ADC1, ENABLE);									//使能ADC1,ADC开始运行
	
	/*ADC校准*/
	ADC_ResetCalibration(ADC1);								//固定流程,内部有电路会自动执行校准
	while (ADC_GetResetCalibrationStatus(ADC1) == SET);
	ADC_StartCalibration(ADC1);
	while (ADC_GetCalibrationStatus(ADC1) == SET);
}

/**
  * 函    数:获取AD转换的值
  * 参    数:无
  * 返 回 值:AD转换的值,范围:0~4095
  */
uint16_t AD_GetValue(void)
{
	ADC_SoftwareStartConvCmd(ADC1, ENABLE);					//软件触发AD转换一次
	while (ADC_GetFlagStatus(ADC1, ADC_FLAG_EOC) == RESET);	//等待EOC标志位,即等待AD转换结束
	return ADC_GetConversionValue(ADC1);					//读数据寄存器,得到AD转换的结果
}
main.c
#include "stm32f10x.h"                  // Device header
#include "Delay.h"
#include "AD.h"

uint16_t ADValue;			//定义AD值变量
float Voltage;				//定义电压变量

int main(void)
{
	/*模块初始化*/
	AD_Init();				//AD初始化
	
	
	while (1)
	{
		ADValue = AD_GetValue();					//获取AD转换的值
		Voltage = (float)ADValue / 4095 * 3.3;		//将AD值线性变换到0~3.3的范围,表示电压
		
    //输出AD值和电压值

		
		Delay_ms(100);			//延时100ms,手动增加一些转换的间隔时间
	}
}

AD多通道

AD.h
#ifndef __AD_H
#define __AD_H

void AD_Init(void);
uint16_t AD_GetValue(uint8_t ADC_Channel);

#endif
AD.c
#include "stm32f10x.h"                  // Device header

/**
  * 函    数:AD初始化
  * 参    数:无
  * 返 回 值:无
  */
void AD_Init(void)
{
	/*开启时钟*/
	RCC_APB2PeriphClockCmd(RCC_APB2Periph_ADC1, ENABLE);	//开启ADC1的时钟
	RCC_APB2PeriphClockCmd(RCC_APB2Periph_GPIOA, ENABLE);	//开启GPIOA的时钟
	
	/*设置ADC时钟*/
	RCC_ADCCLKConfig(RCC_PCLK2_Div6);						//选择时钟6分频,ADCCLK = 72MHz / 6 = 12MHz
	
	/*GPIO初始化*/
	GPIO_InitTypeDef GPIO_InitStructure;
	GPIO_InitStructure.GPIO_Mode = GPIO_Mode_AIN;
	GPIO_InitStructure.GPIO_Pin = GPIO_Pin_0 | GPIO_Pin_1 | GPIO_Pin_2 | GPIO_Pin_3;
	GPIO_InitStructure.GPIO_Speed = GPIO_Speed_50MHz;
	GPIO_Init(GPIOA, &GPIO_InitStructure);					//将PA0、PA1、PA2和PA3引脚初始化为模拟输入
	
	/*不在此处配置规则组序列,而是在每次AD转换前配置,这样可以灵活更改AD转换的通道*/
	
	/*ADC初始化*/
	ADC_InitTypeDef ADC_InitStructure;						//定义结构体变量
	ADC_InitStructure.ADC_Mode = ADC_Mode_Independent;		//模式,选择独立模式,即单独使用ADC1
	ADC_InitStructure.ADC_DataAlign = ADC_DataAlign_Right;	//数据对齐,选择右对齐
	ADC_InitStructure.ADC_ExternalTrigConv = ADC_ExternalTrigConv_None;	//外部触发,使用软件触发,不需要外部触发
	ADC_InitStructure.ADC_ContinuousConvMode = DISABLE;		//连续转换,失能,每转换一次规则组序列后停止
	ADC_InitStructure.ADC_ScanConvMode = DISABLE;			//扫描模式,失能,只转换规则组的序列1这一个位置
	ADC_InitStructure.ADC_NbrOfChannel = 1;					//通道数,为1,仅在扫描模式下,才需要指定大于1的数,在非扫描模式下,只能是1
	ADC_Init(ADC1, &ADC_InitStructure);						//将结构体变量交给ADC_Init,配置ADC1
	
	/*ADC使能*/
	ADC_Cmd(ADC1, ENABLE);									//使能ADC1,ADC开始运行
	
	/*ADC校准*/
	ADC_ResetCalibration(ADC1);								//固定流程,内部有电路会自动执行校准
	while (ADC_GetResetCalibrationStatus(ADC1) == SET);
	ADC_StartCalibration(ADC1);
	while (ADC_GetCalibrationStatus(ADC1) == SET);
}

/**
  * 函    数:获取AD转换的值
  * 参    数:ADC_Channel 指定AD转换的通道,范围:ADC_Channel_x,其中x可以是0/1/2/3
  * 返 回 值:AD转换的值,范围:0~4095
  */
uint16_t AD_GetValue(uint8_t ADC_Channel)
{
	ADC_RegularChannelConfig(ADC1, ADC_Channel, 1, ADC_SampleTime_55Cycles5);	//在每次转换前,根据函数形参灵活更改规则组的通道1
	ADC_SoftwareStartConvCmd(ADC1, ENABLE);					//软件触发AD转换一次
	while (ADC_GetFlagStatus(ADC1, ADC_FLAG_EOC) == RESET);	//等待EOC标志位,即等待AD转换结束
	return ADC_GetConversionValue(ADC1);					//读数据寄存器,得到AD转换的结果
}
main.c
#include "stm32f10x.h"                  // Device header
#include "Delay.h"
#include "AD.h"

uint16_t AD0, AD1, AD2, AD3;	//定义AD值变量

int main(void)
{
	/*模块初始化*/
	AD_Init();					//AD初始化
	
	while (1)
	{
		AD0 = AD_GetValue(ADC_Channel_0);		//单次启动ADC,转换通道0
		AD1 = AD_GetValue(ADC_Channel_1);		//单次启动ADC,转换通道1
		AD2 = AD_GetValue(ADC_Channel_2);		//单次启动ADC,转换通道2
		AD3 = AD_GetValue(ADC_Channel_3);		//单次启动ADC,转换通道3
		
		// 输出AD值和电压值
		
		Delay_ms(100);			//延时100ms,手动增加一些转换的间隔时间
	}
}