DMA

DMA(Direct Memory Access)直接存储器访问

DMA简介

  • DMA(Direct Memory Access)直接存储器存取
  • DMA可以提供外设和存储器或者存储器和存储器之间的高速数据传输,无须CPU干预,节省了CPU的资源
  • 12个独立可配置的通道: DMA1(7个通道), DMA2(5个通道)
  • 每个通道都支持软件触发和特定的硬件触发

存储器映像

类型起始地址存储器用途
ROM0x0800 0000程序存储器Flash存储C语言编译后的程序代码
0x1FFF F000系统存储器存储BootLoader,用于串口下载
0x1FFF F800选项字节存储一些独立于程序代码的配置参数
RAM0x2000 0000运行内存SRAM存储运行过程中的临时变量
0x4000 0000外设寄存器存储各个外设的配置参数
0xE000 0000内核外设寄存器存储内核各个外设的配置参数

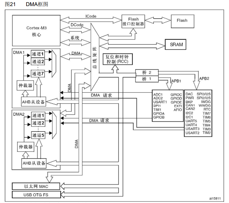
DMA框图

DMA框图

DMA基本结构

DMA基本结构

DMA基本结构详解

这张图展示了DMA控制器的核心工作原理,分为数据传输路径和控制触发路径两大部分:

1. 数据传输路径(上半部分)

外设配置块(左侧绿色边框)

  • 起始地址:配置外设数据源的起始地址
  • 数据宽度:设置每次传输的数据位宽(8位、16位、32位)
  • 地址是否自增:控制传输后地址是否自动递增

外设寄存器块(橙色)

  • 代表实际的外设接口,如ADC、UART、SPI等

主数据总线(粗橙色双向箭头)

  • 连接外设寄存器和存储器的双向数据传输通道

存储器块(Flash/SRAM)

  • Flash:程序存储器,存储代码
  • SRAM:运行内存,存储变量
  • 支持内部存储器之间的数据传输

存储器配置块(右侧绿色边框)

  • 与外设配置块类似,配置目标存储器的参数

方向控制块(浅绿色边框)

  • 控制数据传输方向:外设→存储器 或 存储器→外设

2. 控制与触发路径(下半部分)

传输计数器(浅绿色边框)

  • 记录已传输的数据单元数量
  • 当计数到零时,传输完成

自动重装器(浅绿色边框)

  • 自动重新加载传输计数器
  • 支持连续或循环传输模式

多路复用器(黄色梯形)

  • 选择触发源:硬件触发(0)或软件触发(1)

硬件触发(绿色边框)

  • 由外设事件自动触发,如ADC转换完成

软件触发(绿色边框)

  • 由CPU软件命令触发传输

M2M模式控制(浅绿色边框)

  • Memory-to-Memory模式,控制多路复用器选择

开关控制(橙色)

  • 整个DMA系统的总开关

DMA请求

定义哪些外设可以从那个通道触发 DMA 传输

DMA请求

数据宽度与对齐

数据宽度与对齐

总结:把低位数数据传输到高位数据,高位数自动补 0;把高位数数据传输到低位数数据,多出的位数舍弃

数据转运+DMA

数据转运+DMA
  • 传输方向:外设到存储器
  • 地址是否自增:是
  • 传输计数器:7
  • 自动重装:否
  • 触发源:软件触发

ADC扫描模式+DMA

ADC扫描模式+DMA

例子

DMA数据转运

MyDMA.h
#ifndef __MYDMA_H
#define __MYDMA_H

void MyDMA_Init(uint32_t AddrA, uint32_t AddrB, uint16_t Size);
void MyDMA_Transfer(void);

#endif
MyDMA.c
#include "stm32f10x.h"                  // Device header

uint16_t MyDMA_Size;					//定义全局变量,用于记住Init函数的Size,供Transfer函数使用

/**
  * 函    数:DMA初始化
  * 参    数:AddrA 原数组的首地址
  * 参    数:AddrB 目的数组的首地址
  * 参    数:Size 转运的数据大小(转运次数)
  * 返 回 值:无
  */
void MyDMA_Init(uint32_t AddrA, uint32_t AddrB, uint16_t Size)
{
	MyDMA_Size = Size;					//将Size写入到全局变量,记住参数Size
	
	/*开启时钟*/
	RCC_AHBPeriphClockCmd(RCC_AHBPeriph_DMA1, ENABLE);						//开启DMA的时钟
	
	/*DMA初始化*/
	DMA_InitTypeDef DMA_InitStructure;										//定义结构体变量
	DMA_InitStructure.DMA_PeripheralBaseAddr = AddrA;						//外设基地址,给定形参AddrA
	DMA_InitStructure.DMA_PeripheralDataSize = DMA_PeripheralDataSize_Byte;	//外设数据宽度,选择字节
	DMA_InitStructure.DMA_PeripheralInc = DMA_PeripheralInc_Enable;			//外设地址自增,选择使能
	DMA_InitStructure.DMA_MemoryBaseAddr = AddrB;							//存储器基地址,给定形参AddrB
	DMA_InitStructure.DMA_MemoryDataSize = DMA_MemoryDataSize_Byte;			//存储器数据宽度,选择字节
	DMA_InitStructure.DMA_MemoryInc = DMA_MemoryInc_Enable;					//存储器地址自增,选择使能
	DMA_InitStructure.DMA_DIR = DMA_DIR_PeripheralSRC;						//数据传输方向,选择由外设到存储器
	DMA_InitStructure.DMA_BufferSize = Size;								//转运的数据大小(转运次数)
	DMA_InitStructure.DMA_Mode = DMA_Mode_Normal;							//模式,选择正常模式
	DMA_InitStructure.DMA_M2M = DMA_M2M_Enable;								//存储器到存储器,选择使能
	DMA_InitStructure.DMA_Priority = DMA_Priority_Medium;					//优先级,选择中等
	DMA_Init(DMA1_Channel1, &DMA_InitStructure);							//将结构体变量交给DMA_Init,配置DMA1的通道1
	
	/*DMA使能*/
	DMA_Cmd(DMA1_Channel1, DISABLE);	//这里先不给使能,初始化后不会立刻工作,等后续调用Transfer后,再开始
}

/**
  * 函    数:启动DMA数据转运
  * 参    数:无
  * 返 回 值:无
  */
void MyDMA_Transfer(void)
{
	DMA_Cmd(DMA1_Channel1, DISABLE);					//DMA失能,在写入传输计数器之前,需要DMA暂停工作
	DMA_SetCurrDataCounter(DMA1_Channel1, MyDMA_Size);	//写入传输计数器,指定将要转运的次数
	DMA_Cmd(DMA1_Channel1, ENABLE);						//DMA使能,开始工作
	
	while (DMA_GetFlagStatus(DMA1_FLAG_TC1) == RESET);	//等待DMA工作完成
	DMA_ClearFlag(DMA1_FLAG_TC1);						//清除工作完成标志位
}
main.c
#include "stm32f10x.h"                  // Device header
#include "Delay.h"
#include "OLED.h"
#include "MyDMA.h"

uint8_t DataA[] = {0x01, 0x02, 0x03, 0x04};				//定义测试数组DataA,为数据源
uint8_t DataB[] = {0, 0, 0, 0};							//定义测试数组DataB,为数据目的地

int main(void)
{
	/*模块初始化*/
	OLED_Init();				//OLED初始化
	
	MyDMA_Init((uint32_t)DataA, (uint32_t)DataB, 4);	//DMA初始化,把源数组和目的数组的地址传入
	
	/*显示静态字符串*/
	OLED_ShowString(1, 1, "DataA");
	OLED_ShowString(3, 1, "DataB");
	
	/*显示数组的首地址*/
	OLED_ShowHexNum(1, 8, (uint32_t)DataA, 8);
	OLED_ShowHexNum(3, 8, (uint32_t)DataB, 8);
		
	while (1)
	{
		DataA[0] ++;		//变换测试数据
		DataA[1] ++;
		DataA[2] ++;
		DataA[3] ++;
		
		OLED_ShowHexNum(2, 1, DataA[0], 2);		//显示数组DataA
		OLED_ShowHexNum(2, 4, DataA[1], 2);
		OLED_ShowHexNum(2, 7, DataA[2], 2);
		OLED_ShowHexNum(2, 10, DataA[3], 2);
		OLED_ShowHexNum(4, 1, DataB[0], 2);		//显示数组DataB
		OLED_ShowHexNum(4, 4, DataB[1], 2);
		OLED_ShowHexNum(4, 7, DataB[2], 2);
		OLED_ShowHexNum(4, 10, DataB[3], 2);
		
		Delay_ms(1000);		//延时1s,观察转运前的现象
		
		MyDMA_Transfer();	//使用DMA转运数组,从DataA转运到DataB
		
		OLED_ShowHexNum(2, 1, DataA[0], 2);		//显示数组DataA
		OLED_ShowHexNum(2, 4, DataA[1], 2);
		OLED_ShowHexNum(2, 7, DataA[2], 2);
		OLED_ShowHexNum(2, 10, DataA[3], 2);
		OLED_ShowHexNum(4, 1, DataB[0], 2);		//显示数组DataB
		OLED_ShowHexNum(4, 4, DataB[1], 2);
		OLED_ShowHexNum(4, 7, DataB[2], 2);
		OLED_ShowHexNum(4, 10, DataB[3], 2);

		Delay_ms(1000);		//延时1s,观察转运后的现象
	}
}

DMA+AD多通道

AD.h
#ifndef __AD_H
#define __AD_H

extern uint16_t AD_Value[4];

void AD_Init(void);

#endif
AD.c
#include "stm32f10x.h"                  // Device header

uint16_t AD_Value[4];					//定义用于存放AD转换结果的全局数组

/**
  * 函    数:AD初始化
  * 参    数:无
  * 返 回 值:无
  */
void AD_Init(void)
{
	/*开启时钟*/
	RCC_APB2PeriphClockCmd(RCC_APB2Periph_ADC1, ENABLE);	//开启ADC1的时钟
	RCC_APB2PeriphClockCmd(RCC_APB2Periph_GPIOA, ENABLE);	//开启GPIOA的时钟
	RCC_AHBPeriphClockCmd(RCC_AHBPeriph_DMA1, ENABLE);		//开启DMA1的时钟
	
	/*设置ADC时钟*/
	RCC_ADCCLKConfig(RCC_PCLK2_Div6);						//选择时钟6分频,ADCCLK = 72MHz / 6 = 12MHz
	
	/*GPIO初始化*/
	GPIO_InitTypeDef GPIO_InitStructure;
	GPIO_InitStructure.GPIO_Mode = GPIO_Mode_AIN;
	GPIO_InitStructure.GPIO_Pin = GPIO_Pin_0 | GPIO_Pin_1 | GPIO_Pin_2 | GPIO_Pin_3;
	GPIO_InitStructure.GPIO_Speed = GPIO_Speed_50MHz;
	GPIO_Init(GPIOA, &GPIO_InitStructure);					//将PA0、PA1、PA2和PA3引脚初始化为模拟输入
	
	/*规则组通道配置*/
	ADC_RegularChannelConfig(ADC1, ADC_Channel_0, 1, ADC_SampleTime_55Cycles5);	//规则组序列1的位置,配置为通道0
	ADC_RegularChannelConfig(ADC1, ADC_Channel_1, 2, ADC_SampleTime_55Cycles5);	//规则组序列2的位置,配置为通道1
	ADC_RegularChannelConfig(ADC1, ADC_Channel_2, 3, ADC_SampleTime_55Cycles5);	//规则组序列3的位置,配置为通道2
	ADC_RegularChannelConfig(ADC1, ADC_Channel_3, 4, ADC_SampleTime_55Cycles5);	//规则组序列4的位置,配置为通道3
	
	/*ADC初始化*/
	ADC_InitTypeDef ADC_InitStructure;											//定义结构体变量
	ADC_InitStructure.ADC_Mode = ADC_Mode_Independent;							//模式,选择独立模式,即单独使用ADC1
	ADC_InitStructure.ADC_DataAlign = ADC_DataAlign_Right;						//数据对齐,选择右对齐
	ADC_InitStructure.ADC_ExternalTrigConv = ADC_ExternalTrigConv_None;			//外部触发,使用软件触发,不需要外部触发
	ADC_InitStructure.ADC_ContinuousConvMode = ENABLE;							//连续转换,使能,每转换一次规则组序列后立刻开始下一次转换
	ADC_InitStructure.ADC_ScanConvMode = ENABLE;								//扫描模式,使能,扫描规则组的序列,扫描数量由ADC_NbrOfChannel确定
	ADC_InitStructure.ADC_NbrOfChannel = 4;										//通道数,为4,扫描规则组的前4个通道
	ADC_Init(ADC1, &ADC_InitStructure);											//将结构体变量交给ADC_Init,配置ADC1
	
	/*DMA初始化*/
	DMA_InitTypeDef DMA_InitStructure;											//定义结构体变量
	DMA_InitStructure.DMA_PeripheralBaseAddr = (uint32_t)&ADC1->DR;				//外设基地址,给定形参AddrA
	DMA_InitStructure.DMA_PeripheralDataSize = DMA_PeripheralDataSize_HalfWord;	//外设数据宽度,选择半字,对应16为的ADC数据寄存器
	DMA_InitStructure.DMA_PeripheralInc = DMA_PeripheralInc_Disable;			//外设地址自增,选择失能,始终以ADC数据寄存器为源
	DMA_InitStructure.DMA_MemoryBaseAddr = (uint32_t)AD_Value;					//存储器基地址,给定存放AD转换结果的全局数组AD_Value
	DMA_InitStructure.DMA_MemoryDataSize = DMA_MemoryDataSize_HalfWord;			//存储器数据宽度,选择半字,与源数据宽度对应
	DMA_InitStructure.DMA_MemoryInc = DMA_MemoryInc_Enable;						//存储器地址自增,选择使能,每次转运后,数组移到下一个位置
	DMA_InitStructure.DMA_DIR = DMA_DIR_PeripheralSRC;							//数据传输方向,选择由外设到存储器,ADC数据寄存器转到数组
	DMA_InitStructure.DMA_BufferSize = 4;										//转运的数据大小(转运次数),与ADC通道数一致
	DMA_InitStructure.DMA_Mode = DMA_Mode_Circular;								//模式,选择循环模式,与ADC的连续转换一致
	DMA_InitStructure.DMA_M2M = DMA_M2M_Disable;								//存储器到存储器,选择失能,数据由ADC外设触发转运到存储器
	DMA_InitStructure.DMA_Priority = DMA_Priority_Medium;						//优先级,选择中等
	DMA_Init(DMA1_Channel1, &DMA_InitStructure);								//将结构体变量交给DMA_Init,配置DMA1的通道1
	
	/*DMA和ADC使能*/
	DMA_Cmd(DMA1_Channel1, ENABLE);							//DMA1的通道1使能
	ADC_DMACmd(ADC1, ENABLE);								//ADC1触发DMA1的信号使能
	ADC_Cmd(ADC1, ENABLE);									//ADC1使能
	
	/*ADC校准*/
	ADC_ResetCalibration(ADC1);								//固定流程,内部有电路会自动执行校准
	while (ADC_GetResetCalibrationStatus(ADC1) == SET);
	ADC_StartCalibration(ADC1);
	while (ADC_GetCalibrationStatus(ADC1) == SET);
	
	/*ADC触发*/
	ADC_SoftwareStartConvCmd(ADC1, ENABLE);	//软件触发ADC开始工作,由于ADC处于连续转换模式,故触发一次后ADC就可以一直连续不断地工作
}
main.c
#include "stm32f10x.h"                  // Device header
#include "Delay.h"
#include "OLED.h"
#include "AD.h"

int main(void)
{
	/*模块初始化*/
	OLED_Init();				//OLED初始化
	AD_Init();					//AD初始化
	
	/*显示静态字符串*/
	OLED_ShowString(1, 1, "AD0:");
	OLED_ShowString(2, 1, "AD1:");
	OLED_ShowString(3, 1, "AD2:");
	OLED_ShowString(4, 1, "AD3:");
	
	while (1)
	{
		OLED_ShowNum(1, 5, AD_Value[0], 4);		//显示转换结果第0个数据
		OLED_ShowNum(2, 5, AD_Value[1], 4);		//显示转换结果第1个数据
		OLED_ShowNum(3, 5, AD_Value[2], 4);		//显示转换结果第2个数据
		OLED_ShowNum(4, 5, AD_Value[3], 4);		//显示转换结果第3个数据
		
		Delay_ms(100);							//延时100ms,手动增加一些转换的间隔时间
	}
}