芯片介绍
芯片介绍
STM32F103芯片手册
STM32F10xxx参考手册
STM32F103C8T6
- 系列:主流系列STM32F1
- 内核:ARM Cortex-M3
- 主频:72MHz
- RAM:20K(SRAM)
- ROM:64K(Flash)
- 供电:2.0~3.6V(标准3.3V)
- 封装:LQFP48
片上资源/外设
| 英文缩写 | 名称 | 英文缩写 | 名称 |
|---|---|---|---|
| NVIC | 嵌套向量中断控制器 | CAN | CAN通信 |
| SysTick | 系统滴答定时器 | USB | USB通信 |
| RCC | 复位和时钟控制 | RTC | 实时时钟 |
| GPIO | 通用IO口 | CRC | CRC校验 |
| AFIO | 复用IO口 | PWR | 电源控制 |
| EXTI | 外部中断 | BKP | 备份寄存器 |
| TIM | 定时器 | IWDG | 独立看门狗 |
| ADC | 模数转换器 | WWDG | 窗口看门狗 |
| DMA | 直接内存访问 | DAC | 数模转换器 |
| USART | 同步/异步串口通信 | SDIO | SD卡接口 |
| I2C | I2C通信 | FSMC | 可变静态存储控制器 |
| SPI | SPI通信 | USB OTG | USB主机接口 |
命名规则
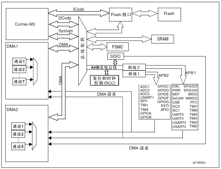
系统结构
引脚定义
启动配置
最小系统电路
